产品选型
选择臂展
  • 不限
  • 1.5米以内
  • 2米以内
  • 2.5米以内
  • 3米以内
  • 4米以内
选择负载
  • 不限
  • 10kg以内
  • 30kg以内
  • 50kg以内
  • 100kg以内
  • 200kg以内
  • 400kg以内
选型工具
嘿,您好
我能帮上什么忙?

给今年会电竞留言

请留言

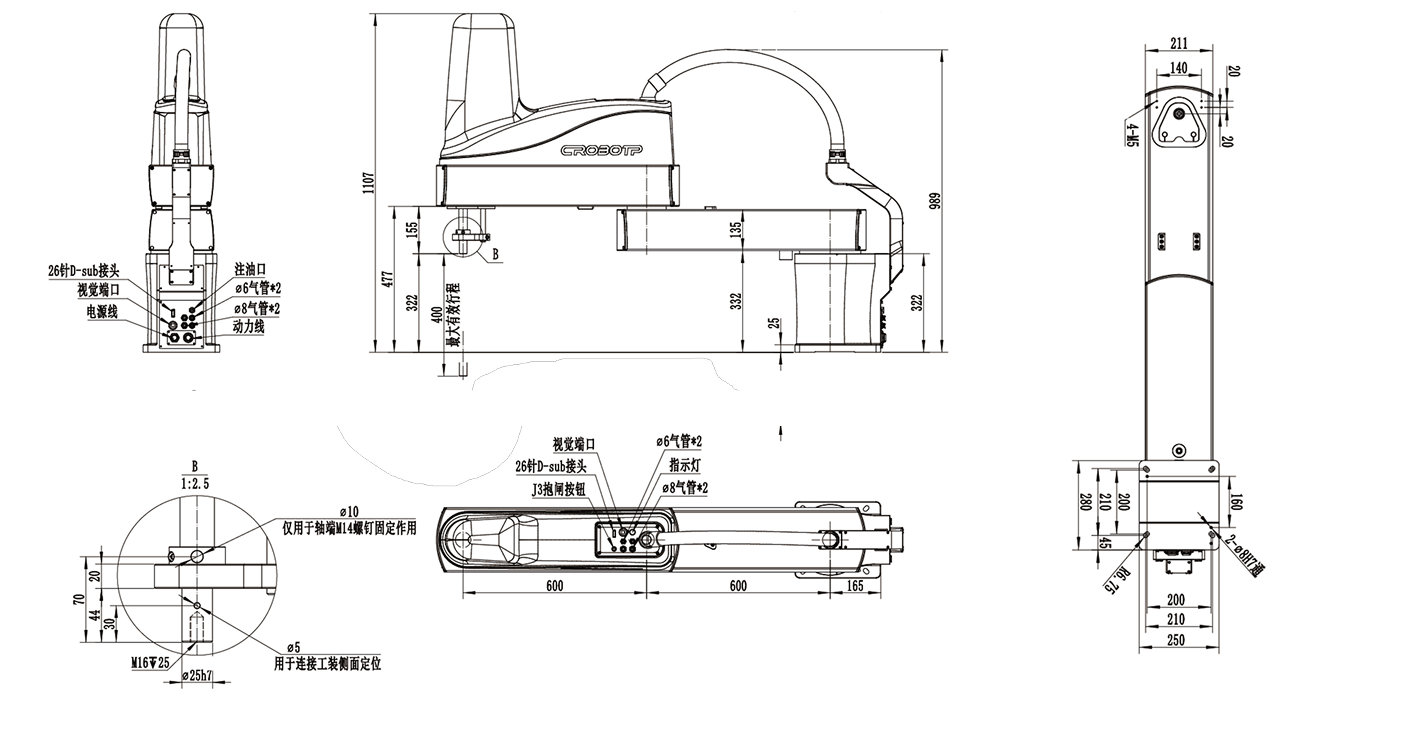
CRP-RS12-60Z40
描述
SCARA机器人
功能特点

• 机器人最大负载可达60kg,臂展可达1200mm,Z轴有效行程可满足400mm。

• 标准门型节拍可达0.79s,速度更快,实现快速搬运机器人。

• 内置1路千兆网线,可满足在需要网线通讯方式,减少线路干涉。

• 产品结构紧凑,本体重120kg。结合软件算法处理,机器人能在实际应用中稳定、有效地运行。


本体技术指标

安装尺寸示意图

吊装示意图