产品选型
选择臂展
  • 不限
  • 1.5米以内
  • 2米以内
  • 2.5米以内
  • 3米以内
  • 4米以内
选择负载
  • 不限
  • 10kg以内
  • 30kg以内
  • 50kg以内
  • 100kg以内
  • 200kg以内
  • 400kg以内
选型工具
嘿,您好
我能帮上什么忙?

给今年会电竞留言

请留言

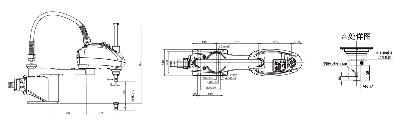
CRP-RS04-03Z17
描述
SCARA机器人
功能特点

• 结构精巧灵活,运行速度快、传动精度高、噪声小。

• 机器人高刚性臂设计,可以在一个包装中同时实现高负载和高速度。

• 400毫米臂长规格,3kg有效负载。

• 适配G12电柜,提供24路自定义IO。

• 支持串口、网络、USB等多种接口形式。

• 适用于搬运、码垛、装配、3C等多种应用场合。


性能参数

外形尺寸图

运动范围图